欢迎光临泰安润德起重机械有限公司官网
设为首页 | 收藏本站
139-5488-2345
咨询服务热线

 
新闻详情

液压升降龙门吊说明书

17
发表时间:2020-11-14 10:09


泰安润德起重机械有限公司

   产品外形图                                    


A 被动车轮 B 主动车轮C液压泵站 D电控箱 E升降立柱 F称重主梁

产品的主要结构和系统说明


固定式液压升降龙门架 一般由主梁、升降支腿、底部横梁和电器控制箱 油泵、电


动机和电磁阀组成液压动力单元组成


一、主要结构


机械结构一般由底座、立柱主梁三部分组成。底座采用相应强度钢板焊接而成 底座上平面的铰耳及滑轮用以安装升降立柱立柱垂直升降 采用高强度无缝矩形管制作 强度高外形美观 当臂架上下升降运动时 安装在底座上面及工作平台下面的滑槽中滑动。


主梁由钢板拼接的箱型梁

龙门架的安装将工字钢水平放倒,工字钢法兰钢板与地面呈80°左右放置。

 将支架架A、支架B分别与工字钢两端法兰对接,用螺丝固定好,拧紧螺丝,加上弹簧垫。(参照示意图)


将四只脚轮安装在龙门架支架的底部,拧紧螺丝。(参照示意图,如底部有固定螺杆,请在此步骤安装固定螺杆)

用起重机把龙门架平稳竖起。(注:起重做业存在风险,请专业人士操作,注意人身安全)

调整移动跑车,将移动跑车轨宽调整为龙门架横梁轨宽,并将跑车及葫芦安装在龙门架横梁上。(注:跑车及葫芦安装,以跑车和葫芦安装说明为准)




二、液压系统说明

从油泵吸油 推动油缸中的活塞 顶升立柱垂直上升 下降时 压力油在限速阀和流量调节阀的监控下 通过电磁阀流回油箱。油缸过载时 油泵输出的压力油通过溢流阀安全阀 直接流回油箱。为了防止油管破裂发生失控下降事故 每个油缸进油 兼作回油 的管路上 设有单向限速阀 即使在油管破裂的情况下 也能保证以正常的下降速度下降。支撑阀操作请看下图 液压原理见图 4


下降速度调节。顺时针慢 反则快。




限压阀。顺时针压
应急下降钮。按

力增大 反则小。


警告 用户禁止调
箭头方向红色

动限压阀
按钮。






附一 液压工作介质 液压油 的使用要求

油泵入口温度**保持在 55℃以下。如以油箱的油温为准 理想的工作温度

3045℃。油液在使用温度范围内流动性好 粘度适合 随温度的变化小 泄漏量适当 动力损耗少。

在防火要求高的场合 闪点足够高 在寒冷地区使用时 凝固点足够低。


日常维护 保持环境整洁 正确操作 防止水分、机械杂质、胶状油泥的污染或空气混入。水分入侵要迅速分离。油箱底部的沉淀杂质若超过容量的 0.1% 应过滤以后再用。


及时更换 除定期更换外 液压工作介质在使用过程中会逐渐老化变质 达一定程度时如杂质很多或油色暗黑且有恶臭或粘度异常变化 应及时更换新油。换油时 系统应彻底清洗。加入的新油应经过滤。当然也可根据颜色、气味、透明或浑浊度 有无沉淀物等。或对比新介质或凭经验确定。或取样化验理化指标有无变化来确定是否更换新油。



附二 液压元件的拆装注意事项


拆洗、维护后的安装应做到



安装前液压元件应进行质量检查,根据情况测试,合格后方可进入安装.



安装前,各种控制仪表(如压力计)等应进行校验.这对以后的调整工作至关重要,可避免仪表指示不正确造成的事故.



仔细清洗油箱,并用压缩空气干燥后,焊缝煤油检漏.



液压泵及其传动,要求较高的同心度.同心度应在 0.1mm 以下,倾斜角不得大于 1°. 不可用力敲打泵轴,不可损伤油泵转子.油泵出入口及旋向,不可弄错(油泵上有标志).



不要随意更动操作手柄位置以及泵、阀及指示仪表的安装位置.安装阀时,注意进油口和回油口的方位,不可装反,以免造成事故.



各连接处应保证密封良好,避免空气渗入.法兰连接的阀件,螺栓不可拧的过紧,有时过紧反而会造成密封不良.



可调阀件,顺时针方向旋转,增加流量,压力;反之则减少流量、压力.



方向控制阀的安装,应使其轴线安装在水平位置上.



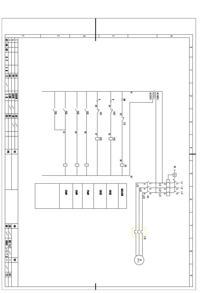
电气系统说明




用以驱动油泵的电动机 由熔串联控制。电气控制方式见下图








分享到:
产品展示3281

产品展示3281

副标题

主标题一
主标题二
主标题三